СКЖ счетчик дебета нефтяной скважины в ООО «ОмегаЭнергетик». Цены, характеристики, описания.
Счетчик для измерения дебита (производительности) нефтяной скважины
Счетчик СКЖ предназначен для измерения при постоянных и переменных расходах: 1.) массового расхода; 2.) общей массы вещества
Счетчик крона жидкостный (1СКЖ) предназначен для измерения массы жидкости, поступающей из скважин, на объектах добычи нефти и узлах оперативного контроля учета нефти.
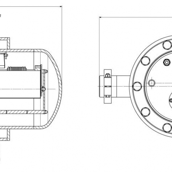
Счетчик СКЖ состоит из камерного преобразователя расхода (КПР) и блока вычислителя массы БЭСКЖ. КПР счетчика СКЖ состоит из корпуса и, в зависимости от типоразмера, одного или двух блоков измерительных. Для работы счетчика необходимо присутствие в его корпусе свободного газа. Поэтому счетчик наиболее подходит для измерения веществ, содержащих в своем составе попутный газ, способный выделяться в корпусе счетчика.
Счетчики СКЖ измеряют расход в тоннах за сутки, а общую накопленную массу - в килограммах. В качестве измеряемой среды может быть жидкость, газожидкостная смесь, например, поступающая из нефтяных скважин, растворы различных веществ, в том числе пульпы с мелкодисперсными частицами, сжиженные газы. Возможно применение счетчика СКЖ для измерения сыпучих веществ.
При измерении счетчиком массы жидкости в составе газожидкостной смеси в большинстве случаев не требуется предварительного разделения ее на жидкость и газ.
Счетчики СКЖ могут применяться в разных областях, пока наиболее широкое применение они нашли в нефтедобывающей и химической промышленности.
Возможно использование счетчика для измерения массы растворов различных веществ, в том числе пульпы с мелкодисперсными частицами.
Область применения счетчика – взрывоопасные зоны помещений и наружных установок согласно ГОСТ Р 30852.13-99 (МЭК 60079-14), «Правилам устройства электроустановок» (ПУЭ) гл. 7.3 и другим нормативным документам, регламентирующим применение электрооборудования во взрывоопасных зонах.
Счетчики устанавливаются на устье добывающей скважины, на групповой замерной установке, на узле сбора и подготовки нефти, в системах контроля и регулирования технологических процессов.
Счетчики СКЖ также могут использоваться для порционного взвешивания в процессах смешивания, дозирования, проверки.
При работе счетчик выдает нормируемый импульсный выходной сигнал для передачи информации в систему телеметрии, а также имеет интерфейс EIA RS-232 и EIA RS-485, что позволяет легко встраивать его в любые системы автоматизированного контроля и управления.
| Счетчик 1СКЖ | Диапазон расхода суточный | Давление рабочее max, Мпа | Услов. проход, мм. входного патрубка | Услов. проход, мм. выходного патрубка | длина | ширина | высота | Масса, кг, не более |
|---|---|---|---|---|---|---|---|---|
| 1СКЖ-30-40М2 | от 1·10-3 до 30 | 4 | 50 | 50 | 610 | 423 | 585 | 83,5±0,5 |
| 1СКЖ-60-40М | от 1·10-3 до 60 | 4 | 50 | 50 | 610 | 423 | 585 | 83,5±0,5 |
| 1СКЖ-60-40 | от 1·10-3 до 60 | 4 | 50 | 50 | 610 | 752 | 605 | 143,5±0,5 |
| 1СКЖ-60-40Д | от 1·10-3 до 30 по каждому каналу | 4 | 50 | 50 | 500 | 752 | 707 | 143,5±0,5 |
| 1СКЖ-60-40М4 | от 1·10-3 до 60 | 4 | 80 | 80 | 680 | 755 | 590 | 119±0,5 |
| 1СКЖ-60-40А | от 1·10-3 до 60 | 4 | 80 | 80 | 690 | 752 | 730 | 185,5±0,5 |
| 1СКЖ-60-40ДА | от 1·10-3 до 30 по каждому каналу | 4 | 50 | 50 | 520 | 752 | 888 | 127,5±0,5 |
| 1СКЖ-60-40ДАР | от 1·10-3 до 30 по каждому каналу | 4 | 50 | 50 | 1700 | 1040 | 1274 | 416,8±0,5 |
| 1СКЖ-120-40 | от 2·10-3 до 120 | 4 | 50 | 50 | 610 | 752 | 605 | 143,5±0,5 |
| 1СКЖ-120-40А | от 2·10-3 до 120 | 4 | 80 | 80 | 690 | 752 | 730 | 185,5±0,5 |
| 1СКЖ-120-40Д | от 1·10-3 до 60 по каждому каналу | 4 | 50 | 50 | 500 | 752 | 707 | 143,5±0,5 |
| 1СКЖ-120-40ДА | от 1·10-3 до 60 по каждому каналу | 4 | 50 | 50 | 520 | 752 | 888 | 127±0,5 |
| 1СКЖ-120-40ДАР | от 1·10-3 до 60 по каждому каналу | 4 | 50 | 50 | 1700 | 1040 | 1274 | 416,8±0,5 |
| 1СКЖ-210-40 | от 1·10-3 до 210 | 4 | 80 | 80 | 680 | 755 | 590 | 119±0,5 |
| 1СКЖ-210-40А | от 1·10-3 до 210 | 4 | 80 | 80 | 550 | 755 | 730 | 152±0,5 |
| 1СКЖ-420-40 | от 2·10-3до 420 | 4 | 100 | 100 | 700 | 1186 | 590 | 275±0,5 |